Nossos Serviços
Engenharia que entrega segurança, eficiência e economia para sua empresa.



Projetos, cálculos, inspeções e laudos complementares para o seu negócio.


Projetos Mecânicos sob medida para sua operação industrial
Desenvolvimento completo — do conceito à entrega técnica.







Do conceito ao detalhamento: como desenvolvemos seu projeto
O serviço de Projetos Mecânicos da CP+ Engenharia envolve o desenvolvimento técnico de máquinas, dispositivos e estruturas industriais — desde a concepção da ideia até a entrega dos desenhos detalhados e da documentação técnica.
Cada projeto é elaborado conforme normas técnicas, priorizando segurança, desempenho funcional e confiabilidade, com o objetivo de otimizar processos e aumentar a eficiência produtiva.
🧩 Modelagem e concepção técnica
📐 Desenhos e dimensionamentos
🔧 Ajustes e validações funcionais
🧾 Documentação técnica e ART
Como a CP+ Engenharia ajuda?
Nossa equipe combina experiência prática e ferramentas avançadas de engenharia, entregando projetos completos — do conceito ao detalhamento — com foco em desempenho, durabilidade e segurança operacional.
🧠 Experiência técnica
⚙️ Ferramentas e precisão
🧰 Soluções completas
🧾 Entrega com ART e conformidade
Como trabalhamos
🗒️ Briefing técnico
— entendimento detalhado da necessidade.
💻 Modelagem 3D
— desenvolvimento virtual do projeto com simulações.
📊 Validação e revisão
— análise de esforços, segurança e desempenho.
📦 Entrega com documentação
— desenhos finais e ART emitida.




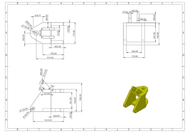
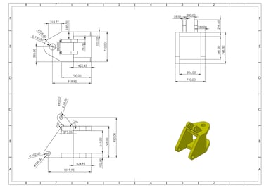
Braço de escavadeira
Este projeto foi desenvolvido para atender à necessidade de um construtor civil que buscava adaptar uma garra hidráulica em uma escavadeira de pequeno porte.
O projeto envolveu o dimensionamento estrutural do braço, análise de esforços e definição de componentes como pinos, buchas e pistões.
O resultado foi um conjunto robusto e otimizado para operação em espaço reduzido, garantindo segurança e eficiência nas manobras de carga e escavação.





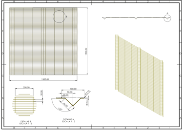
Proteção fixa NR-12
Este projeto foi desenvolvido no contexto de uma adequação à NR-12, com o objetivo de eliminar riscos decorrentes do acesso indevido a áreas de máquinas e equipamentos em ambiente industrial.
O trabalho envolveu o estudo das condições de risco existentes, definição da solução de proteção fixa mais adequada, modelagem 3D completa do conjunto e elaboração do detalhamento técnico necessário para fabricação e instalação, assegurando conformidade com os requisitos da norma.
A solução foi concebida de forma modular e versátil, permitindo sua aplicação em diferentes setores da planta industrial, com fácil adaptação às particularidades de cada máquina ou layout produtivo.
O resultado foi uma proteção fixa robusta, funcional e alinhada às exigências da NR-12, contribuindo para o aumento da segurança operacional, redução de riscos aos trabalhadores e atendimento às obrigações legais de segurança do trabalho.



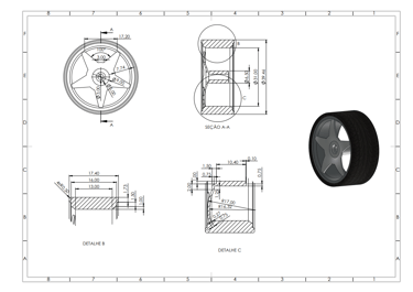
Robô autônomo
Este projeto consistiu no desenvolvimento de um modelo 3D detalhado de um robô autônomo, envolvendo estudo de geometria, definição de componentes e elaboração das vistas técnicas necessárias para fabricação.
A modelagem foi realizada com foco em simplicidade estrutural, precisão dimensional e viabilidade construtiva, garantindo que cada parte do robô pudesse ser manufaturada e montada de forma eficiente.
O resultado foi um produto com design limpo, proporções equilibradas e documentação técnica completa, permitindo futuras etapas como automação, testes funcionais e integração com sistemas eletrônicos.





Desenvolvemos soluções personalizadas para máquinas e estruturas industriais, com foco em segurança e desempenho.
Projetos que transformam processos em produtividade.




Localização
Rua José Prenassi, 15, Centro - Barbacena/MG
Fale conosco
contato@cpmaisengenharia.com.br
+55 32 99861-8239
© 2025. CP+ Engenharia. Todos os direitos reservados.
CNPJ: 63.819.579/0001-39
Segunda a Sexta: 08:00 às 18:00
Sábado: 08:00 às 12:00
Horário de funcionamento


Solicite seu orçamento
cpmais.engenharia










